Công Ty VTCN Cường Thịnh Chuyên Cung Cấp Bulong Ốc Vít Đinh Rút Ốc Rút Giá Tốt
Danh mục sản phẩm
01/06/2024 - 5:13 PMMai Thu Phương 424 Lượt xem

Tán keo là gì? Ecu khóa là gì?

Tán keo hay còn gọi là ecu khoá, tán khoá, đai ốc khóa luôn đi kèm với bulong, được sử dụng trong những trường hợp chống tự tháo, vòng nhựa bên trong sẽ tạo ren khi siết nên sẽ giữ cho con tán này không dịch chuyển dễ dàng, được sử dụng trong các mối liên kết tháo lắp thường xuyên hay liên kết chống va đập.
 
ecu khóa m6, tán keo m6, đai ốc hãm M6, ecu khóa m8, tán keo m8, đai ốc hãm M8,

Công dụng của Đai ốc khóa(Tán khóa) trong ngành công nghiệp cơ khí như thế nào?

Dựa trên mục đích sử dụng thì Đai ốc khóa (Tán khóa) kết hợp với bulong sẽ được chia thành 2 loại chính:
– Bulong liên kết với tán: có chức năng liên kết các chi tiết với nhau nhờ tán, trong đó lực chịu tải chính là lực dọc trục, lực cắt không giữ vai trò quyết định. Được sử dụng chủ yếu trong các kết cấu tĩnh và ít chịu tải trọng động, các chi tiết máy cố định.
– Bulong kết cấu với tán: được sử dụng trong các chi tiết thường xuyên chịu tải trọng động như kết cấu với khung, dầm, các chi tiết máy lớn mà những bộ phận liên kết vừa chịu tải trọng dọc trục vừa chịu cắt.
Bulong kết hợp với tán keo có thể chịu tải trọng cao có độ ổn định lâu dài và khả năng bám chặt tốt nhờ vòng nhựa có trong tán nên chúng được ứng dụng trong các ngành cơ khí, lắp ráp, các công trình xây dựng dân dụng, nhà xưởng công nghiệp, chế tạo thiết bị công nghiệp, đường xá, cầu cống, các công trình giao thông,…
ecu khóa m6, tán keo m6, đai ốc hãm M6, ecu khóa m8, tán keo m8, đai ốc hãm M8,

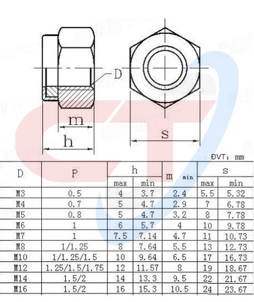
Thông số của Ecu khoá

Công ty Cường Thịnh xin gửi tới Quý khách hàng bảng thông số của Đai ốc mũ - Ecu mũ inox để tham khảo.
thong-so-ecu-khoa-tan-keo-dai-oc-khoa-cuong-thinh 

Mua Tán khóa, Ecu khóa, Đai ốc khóa, Tán keo, Đai ốc hãm ở đâu?

Công ty TNHH thương mại vật tư công nghiệp Cường Thịnh hiện nay đang phân phối Tán khóa, Ecu khóa, Đai ốc khóa, Tán keo, Đai ốc hãm kích thước M6 và M8 sẵn kho tại Hà Nội. Hàng chất liệu Thép mạ kẽm. Giá tốt nhất thị trường. Nếu bạn có nhu cầu mua Tán khóa, Ecu khóa, Đai ốc khóa, Tán keo, Đai ốc hãm M6 hoặc M8 hãy liên hệ với chúng tôi theo số Hotline của Công ty: 0364.993.993
 
Công ty TNHH thương mại vật tư công nghiệp Cường Thịnh chuyên phân phối các loại bulong - ốc vít, tán rút, vít tự khoan, vít đầu dù, tán cài, đinh rút, ecu khóa, ecu liền vành, PEM, trụ tán ren trong, súng rút ốc tán, kìm rút ốc tán và các sản phẩm chuyên dụng cho cơ khí, công nghiệp chế tạo… Với sự cam kết 100% hàng chính hãng,  chất lượng đảm bảo tiêu chuẩn ISO. Công ty chúng tôi ngoài việc đem lại sản phẩm tốt, giá thành rẻ, chúng tôi còn mong muốn hợp tác với Quý khách hàng một cách tốt nhất, chuyên nghiệp nhất và dài lâu.
 
 

Mọi loại hàng của Công ty Cường Thịnh đều có đầy đủ hóa đơn, chứng từ, CO - CQ. Vì vậy, khách hàng có thể yên tâm về chất lượng, mẫu mã và giá cả.

Thông tin chi tiết xin liên hệ: 

CÔNG TY TNHH THƯƠNG MẠI VẬT TƯ CÔNG NGHIỆP CƯỜNG THỊNH
Số 170, Đường Phú Lương, Phường Phú Lương, Quận Hà Đông, Thành Phố Hà Nội
Hotline: 0364.993.993
Email: ocvitinoxcuongthinh@gmail.com
Tin liên quan

Súng Rút Ốc Tán. Súng Bắn Ecu Rút. Bảo Hành 24 Tháng. Giá Tốt Nhất Thị Trường Súng Rút Ốc Tán. Súng Bắn Ecu Rút. Bảo Hành 24 Tháng. Giá Tốt Nhất Thị Trường
Súng Rút Ốc Tán Súng Bắn Tán Rút Súng Rút Ecu Rút Súng Bắn Đai Ốc Rút
Bảo Hành 24 Tháng/ Súng Rút Ốc Tán/ Súng Bắn Tán Rút/ Súng Bắn Đai Ốc Rút/ Súng Bắn Ecu Rút Bảo Hành 24 Tháng/ Súng Rút Ốc Tán/ Súng Bắn Tán Rút/ Súng Bắn Đai Ốc Rút/ Súng Bắn Ecu Rút
Súng Rút Ốc Tán. Súng Bắn Tán Rút. Súng Bắn Đai Ốc Rút. Súng Bắn Ecu Rút. Súng Rút Đai Ốc. Súng Rút Ecu Rút
20+ Loại Ốc Rút (Tán Rút) Thông Dụng Trên Thị Trường 20+ Loại Ốc Rút (Tán Rút) Thông Dụng Trên Thị Trường
Công ty vật tư công nghiệp Cường Thịnh là nhà cung cấp số 1 trên thị trường Việt Nam về việc cung cấp ốc rút, đai ốc rút, tán rút, ecu rút, đinh tán rút với...
 Long Đền Phẳng Vênh - Long Đền Gai - Long Đền Chống Trượt Long Đền Phẳng Vênh - Long Đền Gai - Long Đền Chống Trượt
Long Đền Phẳng Vênh - Long Đền Gai - Long Đền Chống Trượt là những loại long đền thông dụng cần thiết trong cơ khí chế tạo. Những loại long đền này được...
Ốc Rút Inox M5 - Đai Ốc Rút Inox M5 - Ecu Rút Inox M5 Ốc Rút Inox M5 - Đai Ốc Rút Inox M5 - Ecu Rút Inox M5
Tên sản phẩm: Ốc Rút inox M5, Tán Rút inox M5, Ecu Rút inox M5, Đai Ốc Rút inox M5, Đinh Tán Rút inox M5, Ốc Tán Rút inox M5 Kích thước: M3, M4, M5, M6, M8, M10, M12 Chất liệu:...
Tán Rút Inox M4 (Ốc Rút Inox M4) 304 Tán Rút Inox M4 (Ốc Rút Inox M4) 304
Tên sản phẩm: Ốc Rút inox M4, Tán Rút inox M4, Ecu Rút inox M4, Đai Ốc Rút inox M4, Đinh Tán Rút inox M4, Ốc Tán Rút inox M4 Kích thước: M3, M4, M5, M6, M8, M10, M12 Chất liệu:...
Tán Rút Inox M6 - Ốc Rút Inox M6 - Ecu Rút Inox M6 Tán Rút Inox M6 - Ốc Rút Inox M6 - Ecu Rút Inox M6
Tên sản phẩm: Ốc Rút inox M6, Tán Rút inox M6, Ecu Rút inox M6, Đai Ốc Rút inox M6, Đinh Tán Rút inox M6, Ốc Tán Rút inox M6 Kích thước: M3, M4, M5, M6, M8, M10, M12 Chất liệu:...
Ốc Rút Lục Giác - Tán Rút Lục Giác - Cường Thịnh Ốc Rút Lục Giác - Tán Rút Lục Giác - Cường Thịnh
Tên sản phẩm: Ốc Rút lục giác, Tán Rút lục giác, Ecu Rút lục giác, Đai Ốc Rút lục giác, Đinh Tán Rút lục giác, Ốc Tán Rút lục giác Kích thước: M3, M4, M5, M6,...
Tán Rút - Ốc Rút - Ecu Rút M3 M4 M5 M6 M8 M10 M12 Tán Rút - Ốc Rút - Ecu Rút M3 M4 M5 M6 M8 M10 M12
Tên sản phẩm: Ốc Rút, Tán Rút, Ecu Rút, Đai Ốc Rút, Đinh Tán Rút, Ốc Tán Rút Kích thước: M3, M4, M5, M6, M8, M10, M12 Chất liệu: Mạ kẽm, Inox 304 Màu sắc: Trắng/...
Vít Giác M8x80. Vít Phong M8x80. Mạ Kẽm Vít Giác M8x80. Vít Phong M8x80. Mạ Kẽm
Vít phong hay còn được gọi với tên gọi khác như: vít lục giác, vít giác, vít bắn gỗ đầu lục giác, vít lục giác gỗ..là loại vít lai bulong có đầu lục giác,...

Chia sẻ bài viết: 



Bình luận:

Danh mục sản phẩm
sản phẩm bán chạy

Công ty TNHH Thương Mại Vật Tư Công Nghiệp Cường Thịnh

Giấy đăng ký kinh doanh số 0109176234 do Sở kế hoạch và đầu tư thành phố Hà Nội cấp ngày 08/05/2020

Địa chỉ: Số 170 đường Phú Lương, Phường Phú Lương, Thành Phố Hà Nội

Số điện thoại: 0364.993.993

E-Mail: vattucongnghiepcuongthinh@gmail.com

Bản đồ

Kết nối với chúng tôi
© Bản quyền thuộc về Công ty TNHH Thương Mại Vật Tư Công Nghiệp Cường Thịnh. Thiết kế bởi hpsoft.vn
Gọi ngay: 0364.993.993
messenger icon zalo icon